
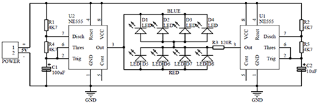
Kapcsolási rajz
|
![]() Rendőr villogó effekt KIT Két 555-ös időzítőből felépített fényeffekt KIT, mely két eltérő frekvenciájú astabil multivibrátor alapkapcsolást tartalmaz. A fényeffektet az anti-parallel kötött LED-ek, és a két eltérő frekvenciával üzemelő 555 hozza létre. Bemeneti tápfeszültség: 5V DC Maximális áramfelvétel: 60mA A készlet forrasztandó alkatrészeket tartalmaz! Közúti / közterületi használata szigorúan tilos! Hozzáadás a kosárhoz (Cikkszám: 100.426.89)
|
Beültetési ábra
|
Termékfotó
|

| R3 | 120R 0.25W | |
| R1 | 4.7K 0.25W | |
| R2 | 4.7K 0.25W | |
| R4 | 4.7K 0.25W | |
| R5 | 4.7K 0.25W |

| U1 | NE555 | |
| U2 | NE555 |

| D5 | RED | |
| D6 | RED | |
| D7 | RED | |
| D8 | RED | |
| D1 | BLUE | |
| D2 | BLUE | |
| D3 | BLUE | |
| D4 | BLUE |

| C2 | 10uF | |
| C1 | 100uF |
A tápfeszültséget az áramkörön jelölt (+) és (-) pontokra kell csatlakoztatni. A tápellátás polaritását és tényleges feszültségét minden esetben gondosan ellenőrizzük az áramkörre való csatlakoztatás előtt.
(+) = Pozitív tápfeszültség pólus (általában piros)
(-) = Negatív tápfeszültség pólus (általában fekete)
A csomagküldés a magyarországi HESTORE raktárból történik.