Kérdése
van
?


BK-0611

Sziréna KIT, 5VDC

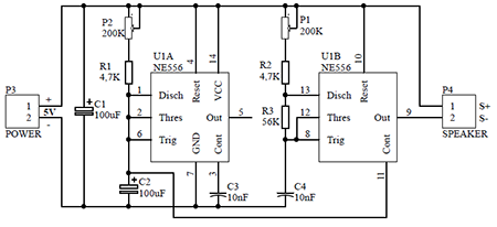
Kapcsolási rajz

Sziréna KIT
Egy 556-os (dupla 555-ös) időzítőből felépített sziréna, mely váltakozó hangmagasságú hangeffektet hoz létre. Az első oszcillátor befolyásolja a második oszcillátor frekvenciáját, így előállítva a hullámzó hangmagasságú négyszögjelet. Potenciométerekkel szabályozhatóak a generált hang jellemzői.
Bemeneti tápfeszültség: 5V DC
Maximális áramfelvétel: 20mA
A készlet forrasztandó alkatrészeket tartalmaz!

Hozzáadás a kosárhoz (Cikkszám: 100.426.88)
1+: 560 Ft
5+: 384 Ft
10+: 354 Ft
20+: 343 Ft
50+: 336 Ft


Beültetési ábra
Termékfotó

Összeszerelés lépései

1


JUMPER

2


R1 4.7K 0,25W
 
 
 
R2 4.7K 0,25W
 
 
 
R3 56K 0,25W
 
 
 

3


C1 NE556

4


C3 10nF (103)
C4 10nF (103)

5


SPK

6


P1 200K
P2 200K

7


C1 100uF
C2 100uF
Beüzemelés, élesztés

A tápfeszültséget az áramkörön jelölt (+) és (-) pontokra kell csatlakoztatni. A tápellátás polaritását és tényleges feszültségét minden esetben gondosan ellenőrizzük az áramkörre való csatlakoztatás előtt.
(+) = Pozitív tápfeszültség pólus (általában piros)
(-) = Negatív tápfeszültség pólus (általában fekete)

FőoldalSzállításSúgóGyIKRMAÁltalános szerződési feltételek (ÁSZF)AdatvédelemBK-KITSHESTORE APIPartner ProgramVisszahívásElérhetőségek
HESTORE Hungary Kft, minden jog fenntartva! - 2026

Weboldalunk helyes működéséhez sütit készítünk az Ön böngészőjében.
Sütik használatáról bővebben itt olvashat.

A csomagküldés a magyarországi HESTORE raktárból történik.
GLS shipping GLS shipping FoxPost shipping DHL shipping  PayPal payment ISO9001 certified DigiCert SSL security SimplePay payment