
Kapcsolási rajz
|
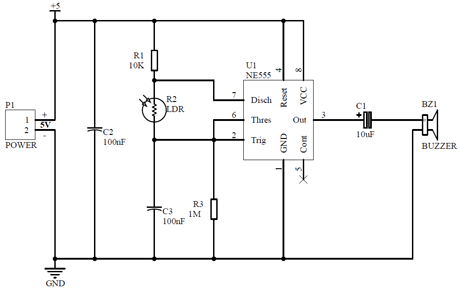
![]() Egyszerű felépítésű, thereminhez hasonló hangot lehet az áramkör segítségével létrehozni. A hangmagasságot a fényérzékelőre jutó fény mennyisége határozza meg. Tápfeszültség: 5V DC Maximum áramfelvétel: 3mA A készlet forrasztandó alkatrészeket tartalmaz! Hozzáadás a kosárhoz (Cikkszám: 100.467.68)
|
Beültetési ábra
|
Termékfotó
|

| R3 | 1M 0.25W | |
| R1 | 10K 0.25W |

| U1 | NE555 |

| C1 | 100nF (104) | |
| C3 | 100nF (104) |

| R2 | LDR |

| BZ1 | BUZZER |

| C1 | 10uF |
A tápfeszültséget az áramkörön jelölt (+) és (-) pontokra kell csatlakoztatni. A tápellátás polaritását és tényleges feszültségét minden esetben gondosan ellenőrizzük az áramkörre való csatlakoztatás előtt.
(+) = Pozitív tápfeszültség pólus (általában piros)
(-) = Negatív tápfeszültség pólus (általában fekete)
Az 5V tápfeszültség polaritás helyes bekapcsolása után, az áramkör azonnal üzemkész.
A csomagküldés a magyarországi HESTORE raktárból történik.