
A szénkefés DC motorok megbízható, egyszerű és olcsó hajtásmegoldást kínálnak ipari, hobbi és beágyazott rendszerekben egyaránt. Azonban az ilyen típusú motorok egyik komoly hátránya az általuk keltett elektromágneses interferencia (EMI).
Szerző: HESTORE Hungary Kft. / Hódi Gábor
A szénkefés DC motorok megbízható, egyszerű és olcsó hajtásmegoldást kínálnak ipari-, hobbi-, és beágyazott rendszerekben egyaránt. Azonban az ilyen típusú motorok egyik komoly hátránya az általuk keltett elektromágneses interferencia (EMI), amely zavarhatja a környező áramköröket, vezeték nélküli kommunikációs modulokat és más érzékeny eszközöket. Cikkünk célja bemutatni, hogy mi okozza ezeket a zajokat, milyen tényezők befolyásolják az EMI mértékét, valamint hogyan lehet hatékonyan csökkenteni ezeket megfelelő zavarszűréssel.
A szénkefés DC motor működésének alapvető jellemzője a mechanikus kommutáció, amely a forgórész (armatúra) és a szénkefék közötti érintkezés révén történik. Ez az érintkezés folyamatosan nyílik és záródik, amely során szikraképződés lép fel. Ezek a szikrák nagyfrekvenciás zajforrást jelentenek. Az EMI főbb forrásai:
A motorháznak jelentős hatása van az EMI kibocsátásra:
| Ház típusa | EMI védelem | Árnyékolás | Hűtés | Megjegyzés |
|---|---|---|---|---|
| Műanyag ház | Gyenge | Nincs | Jó | EMI szempontból legrosszabb |
| Fém, nyitott | Közepes | Korlátozott | Kiváló | Szükséges belső szűrés |
| Fém, zárt | Jó | Erős | Korlátozott | Hatékony árnyékolás |
A zárt, fémházas motor EMI szempontból előnyös, mivel a fémház Faraday-kalitkaként viselkedik, jelentősen csökkentve a kibocsátott elektromágneses hullámokat. Zaj szempontból a fémházzal és fém zárólemezzel rendelkező motorok mindig előnyösebbek a műanyag házas motorokkal szemben. Szénkefékből származó zajok tekintetében a fém zárólemez sokkal előnyösebb mint a műanyag záróelemmel / zárókupakkal rendelkező típusok, hiszen pont a szénkefe környezetére kell leginkább árnyékolás.
A fémház elektromos földelése kulcsfontosságú:
| Földelés | Előnyök | Hátrányok |
|---|---|---|
| Van földelés | Az EMI energia levezethető, a ház nem sugároz | Komplexebb bekötés, potenciális hurokáramok |
| Nincs földelés | Egyszerűbb | A fémház sugározhat, árnyékolás hatékonysága csökken |
A földelt fémház segíti az EMI gyors útját a földelés/árnyékolás felé, csökkentve a rendszer zavartermelését.
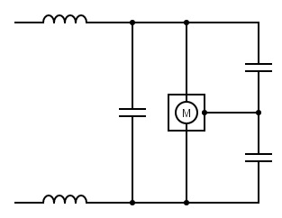
A zavarszűrés legegyszerűbb és legolcsóbb módja a kondenzátorok használata. Ezek a magasfrekvenciás jelek áramát zárják le rövid úton, megakadályozva a továbbterjedésüket. Alkalmazott kondenzátorok:
A kondenzátorok pozíciója kulcsfontosságú a hatékonyság szempontjából:
| Elhelyezés | Funkció | Megjegyzés |
|---|---|---|
| Motor kapcsai közé | Differenciális módú zaj csökkentése | Minimális odavezetési hosszra törekedni kell |
| Motor kapcsok és fémház közé (2 db) | Sugárzott EMI csökkentése | A ház földelve legyen |
Ez az elrendezés Y-szűrőként működik, ahol két kondenzátor megy a pozitív és negatív ágról a házra, és egy harmadik azok közé (X-szűrő). Egy 2004-es mérés és prezentáció szerint (X2Y Attenuators LLC, 2004, USA) ez az elrendezés akár 40–60 dB csillapítást is elérhet a 30–300 MHz sávban.

| Funkció | Ajánlás |
|---|---|
| 100nF / 100V multilayer szűrőkondenzátor | |
| 100nF / 100V Y5V kerámia szűrőkondenzátor | |
| 10nF / 100V X7R multilayer szűrőkondenzátor |
PWM-es üzem esetén nagyon fontos figyelembe venni a kondenzátorok reaktanciáját is. Amennyiben nem pusztán egyenárammal, hanem szaggatatott egyenárammal (PWM) van hajtva a motor, úgy a frekvencia növekedésével kondenzátorok soros ellenállásként kezdenek viselkedni, és ami szűrés szempontból előny (levezetik a zajt), az a PWM meghajtó híd szempontjából problémákat okozhat. Túl magas PWM frekvencia esetén az áram egy része a kondenzátorokon (azok reaktanciája [ellenállása] miatt) veszteségként fog jelentkezni (mintegy feleslegesen terhelve a H-hidat), és melegedés lép fel a kondenzátoron. Szélsőséges esetben, helytelenül megválasztott szűrőkondenzátor (túl nagy kapacitás értékű), nem elég "fürge" a PWM-hez és túlmelegedik és károsodik, akár rövidzárt okozva a meghajtó H-Hídnak.
A kondenzátor reaktancia értékét az alábbi képlettel számolhatjuk ki a PWM frekvencia ismeretében: $$ X_C = \frac{1}{\omega C} = \frac{1}{2\pi f \cdot C} $$
Az így kiszámolt reaktancia csak csúcsokban ugyan, de "felesleges" terhelésként fog jelentkezni a meghajtó szempontjából.
A motor tápágába illesztett soros fojtók (induktivitások) az alacsony frekvenciás áramot átengedik, de a nagyfrekvenciás zajokat blokkolják.
Soros induktivitások választása esetén mindenképpen szükséges figyelembe venni a motor áramát, figyelni kell rá, hogy a választott induktivitás (tekercs) telítési árama mindenképpen legalább 30%-al magasabb legyen mint a motor maximális áramfelvétele. A tekercs induktivitás értékének (µH (mikrohenry), mH (millihenry)) megválasztásánál pedig figyelemmel kell lenni a PWM frekvenciára, ugyanis a PWM frekvencia közvetlenül meghatározza majd a választott induktivitás reaktanciáját (XL, A reaktancia az elektromos áramkörökben a váltakozó áram hatására fellépő ellenállás érték). A tekercs reaktanciáját kiszámolhatjuk a frekvencia ismeretében, az alábbi képlettel: $$ X_L = \omega L = 2\pi f \cdot L $$ A kiszámolt reaktancia áramkorlátozó elemként fog fellépni, ami csökkenti az átfolyó áramot, illetve nem kívánt melegedés léphet fel.
A közös módusú fojtók (common-mode choke) hatékony eszközök a szénkefés DC motorok által keltett elektromágneses zavarok szűrésére, különösen akkor, ha a motor tápkábelein közös módusú zaj terjed. Ezek az eszközök úgy működnek, hogy a motor felé és visszatérő ágon folyó szimmetrikus áramokat átengedik, míg a szimmetria felbomlása – például a kommutátor szikrázása miatt keletkező magasfrekvenciás zavarok – mágneses fluxusként jelenik meg a ferritmagban, és induktív ellenállásként hat. Így a közös módusú zajok jelentős mértékben elnyomhatók anélkül, hogy a hasznos áramkört befolyásolnák.
A közös módusú fojtók különösen hatékonyak PWM-es motorvezérlés esetén, ahol a gyors kapcsolási élek erőteljes rádiófrekvenciás sugárzást generálhatnak, amelyet ezek a fojtók képesek elnyomni, ezzel elősegítve a rendszer EMC megfelelőségét.

Javasolt ferrit gyűrűk, kisméretű motorokhoz
| Funkció | Ajánlás |
|---|---|
| TF-10X4X6 (Ferrit gyűrű, 10x4x6) | |
| RT-205-102-100 (Ferrit gyűrű, RT 20x10x10) | |
| RI-RT25-15-12 (Ferrit gyűrű, RT 25x15x12) | |
| RI-RKCF-05-A5 (Ferrit, műa. házban, 4.5 - 5mm, utólagosan kábelre illeszthető) |
A meghajtási mód jelentősen befolyásolja az EMI spektrumot:
| Meghajtás típusa | EMI jellemzők | Megjegyzés |
|---|---|---|
| Egyenáram (DC) | Alacsonyabb | Kisebb dinamika |
| PWM | Jelentős | Gyors kapcsolás, meredek élek (slew-rate) |
A PWM-es vezérlés miatt a motor áramában jelentős frekvenciatartomány szélesedés figyelhető meg, különösen, ha a vezérlő kapcsolási sebessége 10–100 kHz közé esik. Ezt a vezetéken és a házon keresztül is kisugározhatja a rendszer.
Az alábbi szabványok meghatározzák az elfogadható EMI szinteket:
Íme néhány közkedvelt szénkefés DC motor a HESTORE-tól:
| Funkció | Ajánlás |
|---|---|
| DCM-3V (Univerzális DC motor) | |
| RM-17 (Áttételes DC motor 3-6V, robot/modell célra) | |
| JGB37-520-12V-60RPM (Szénkefés áttételes motor, 12V DC, 60RPM) | |
| AMM58 (Áttételes modellmotor) | |
| RE260 (Egyenáramú kismotor, talpazattal, 1.5...4.5V) | |
| MAB400 (Nagy teljesítményű motor 12V DC, 6.8W) |
A szénkefés DC motorok EMI szűrése nem csak megfelelőségi kérdés, hanem a megbízható működés alapja is. Legyen szó egy egyszerű nyitott hajtásról vagy ipari zárt rendszerű vezérlésről, a kondenzátorok és induktivitások helyes elhelyezése, a ház földelése és a meghajtási mód megfelelő kiválasztása hatalmas különbséget jelenthet. Ha PWM vezérlést alkalmazunk, még fontosabb a szűrők és árnyékolás gondos alkalmazása.
A HESTORE.hu kínálatában megtalálhatóak kiváló minőségű zavarszűrő kondenzátorok, ferritgyöngyök és földelhető házú motorok, így minden szükséges eszköz rendelkezésre áll az optimális EMI szűréshez.
A csomagküldés a magyarországi HESTORE raktárból történik.